産品描述
一、氣動蝶閥 産品概述
D641X氣動法蘭軟密封蝶閥,是采用高精度氣動活塞式執行器與😌中線密封蝶閥組成,氣動蝶閥不僅具有優良的防腐、(耐堿、鹽性能👀,耐弱酸侵蝕)耐磨、減磨性能,(比普通蝶閥使用壽命可明顯延長)而且具有無毒、抗菌、防👩🏼❤️👨🏾黴等特點,更有操作力矩小,(比普通有銷😥蝶閥降低百分之四十)維😝修方便,外形美觀等突出😘優點。氣動蝶閥主要用于水處🎅🏿理設備配套,廣泛用于食品、醫藥、化工、石油、電😁力、輕紡、造🏃🏻♀️紙等給水排水、氣體管道上作調作充量和截流介質的場合。
二、氣動蝶閥 産品特點
(1)尼龍塗層與環氧樹脂塗層相結合,符合環保要求。
(2)閥闆特有設計,流量系數大,流阻小。在額定壓力下,實現零洩漏。
(3)采用半軸無銷連接,結構簡單緊湊,維修拆卸極為方便,迅速(可現場拆裝),蝶闆有自動對中功能,實現了蝶闆與閥座過盈配合。
(4)閥杆密封圈起雙向密封作用,避免介質外流,防止😗外^來物質侵入,做到整閥零外漏。
(5)氣動襯膠蝶閥具有良好的切斷和調節性能,能達到氣泡級密封,啟閉力矩小,使用壽命長等特點。
三、氣動蝶閥 主要技術參數
稱通經DN(mm) | 50~1600 | ||
公稱壓力PN(MPa) | 0.6 | 1.0 | 1.6 |
密封試驗(MPa) | 0.66 | 1.1 | 1.76 |
強度試驗(MPa) | 0.9 | 1.5 | 2.4 |
适用溫度 | 丁腈橡膠:-40℃~90℃ | ||
适用介質 | 水、空氣、天然氣、油品及弱腐蝕性流體 | ||
洩漏率 | 符合GB/T13927-92标準 | ||
驅動方式 | 氣動 | ||
配置執行機構 | GT、AT、AW系列單雙作用氣動執行器 | ||
控制方式 | 開關兩位控制、4~20mA模拟量信号控制 | ||
四、氣動蝶閥 執行器技術參數
執行器型号 | GT、AT、AW系列單雙作用氣動執行器 |
供氣壓力 | 0.4~0.7MPa |
氣源接口 | G1/4"、G1/8"、G3/8"、G1/2" |
環境溫度 | -30~+70℃ |
作用形式 | 單作用執行機構、雙作用執行機構 |
可配附件 | 定位器、電磁閥、空氣過濾減壓器、保位閥、行程開關🤶🏾、閥位傳ˇ送器、手輪機構等 |
采用新型氣動執行器,有雙作用式和單作用式(彈👽簧複位),齒👺輪齒條傳動,安全可靠;大口徑閥門采用系列🧜🏼♀️AW型氣動執行器🔞拔叉式傳動,結構合理,輸出力大,有雙作用式💫和單作用式。
1、齒輪式雙活塞,輸出力矩大,體積小。
2、氣缸選用鋁金材料,重量輕、外形美觀。
3、可在頂部、底部安裝手動操作機構。
4、齒條式連接可調節開啟角度、額定流量。
5、執行器可選帶電訊号反饋指示及附件以實現自動化操作。
6、IS05211标準連接為産品的安裝更換提供了方便。
7、兩端調的節螺釘可使标準産品在0°和90°有±4°的可調範圍。确保與閥✡️門的同步精度。
五、氣動蝶閥 主要零件材料
零件名稱 | 材料 |
閥體 | 球墨鑄鋼+NBR、鑄鋼+NBR、不鏽鋼+NBR |
蝶闆 | 灰鑄鐵、球墨鑄鋼、鑄鋼、不鏽鋼及特殊材料 |
閥杆 | 2Cr13、不鏽鋼 |
填料 | O型圈、柔性石墨 |
六、氣動蝶閥 主要性能規範
公稱通徑DN(mm) | DN50~1200 | |||
公稱壓力 | PN(MPa) | 0.6 | 1.0 | 1.6 |
試驗壓力 | 強度試驗 | 0.9 | 1.5 | 2.4 |
密封試驗 | 0.66 | 1.1 | 1.76 | |
低壓氣密試驗 | 0.5~0.7 | |||
适用介質 | 空氣、水、污水、蒸氣、煤氣、油品等 | |||
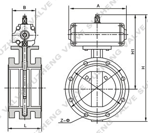
七、氣動蝶閥 安裝連接尺寸

八、氣動蝶閥 安裝連接尺寸
公稱通經(DN) | 主要尺寸 | 法蘭尺寸 | |||||||||
L 法蘭 | L1 對夾 | H | H1 | A | 1.0MPa | 1.6MPa | |||||
D | D1 | n-Фd | D | D1 | n-Фd | ||||||
50 | 108 | 43 | 63 | 315 | 180 | 165 | 125 | 4-18 | 165 | 125 | 4-18 |
65 | 112 | 46 | 70 | 330 | 180 | 185 | 145 | 4-18 | 185 | 145 | 4-18 |
80 | 114 | 46 | 83 | 390 | 245 | 200 | 160 | 4-18 | 200 | 160 | 8-18 |
100 | 127 | 52 | 105 | 431 | 240 | 220 | 180 | 8-18 | 220 | 180 | 8-18 |
125 | 140 | 56 | 115 | 455 | 240 | 250 | 210 | 8-18 | 250 | 210 | 8-18 |
150 | 140 | 56 | 137 | 626 | 350 | 285 | 240 | 8-22 | 285 | 240 | 8-22 |
200 | 152 | 60 | 164 | 720 | 350 | 340 | 295 | 8-22 | 340 | 295 | 12-22 |
250 | 165 | 68 | 206 | 800 | 550 | 395 | 350 | 12-22 | 405 | 355 | 12-26 |
300 | 178 | 78 | 230 | 860 | 600 | 445 | 400 | 12-22 | 460 | 410 | 12-26 |
350 | 190 | 78 | 248 | 883 | 600 | 505 | 460 | 16-22 | 520 | 470 | 12-26 |
400 | 216 | 102 | 289 | 972 | 600 | 565 | 515 | 16-26 | 580 | 525 | 16-26 |
450 | 222 | 114 | 320 | 1043 | 750 | 615 | 565 | 20-26 | 640 | 585 | 16-30 |
500 | 229 | 127 | 342 | 1098 | 750 | 670 | 620 | 20-26 | 715 | 650 | 20-30 |
600 | 267 | 154 | 413 | 1236 | 750 | 780 | 725 | 20-30 | 840 | 770 | 20-33 |
700 | 430 | 165 | 478 | 1431 | 750 | 895 | 840 | 24-30 | 910 | 840 | 24-36 |
800 | 470 | 190 | 525 | 1488 | 750 | 1015 | 950 | 24-33 | 1025 | 950 | 24-39 |



打印當前頁
查看及下載技術文檔
發郵件給我們:





